2024年度温室气体排放核查报告
时间:2025-05-22 11:33:18



































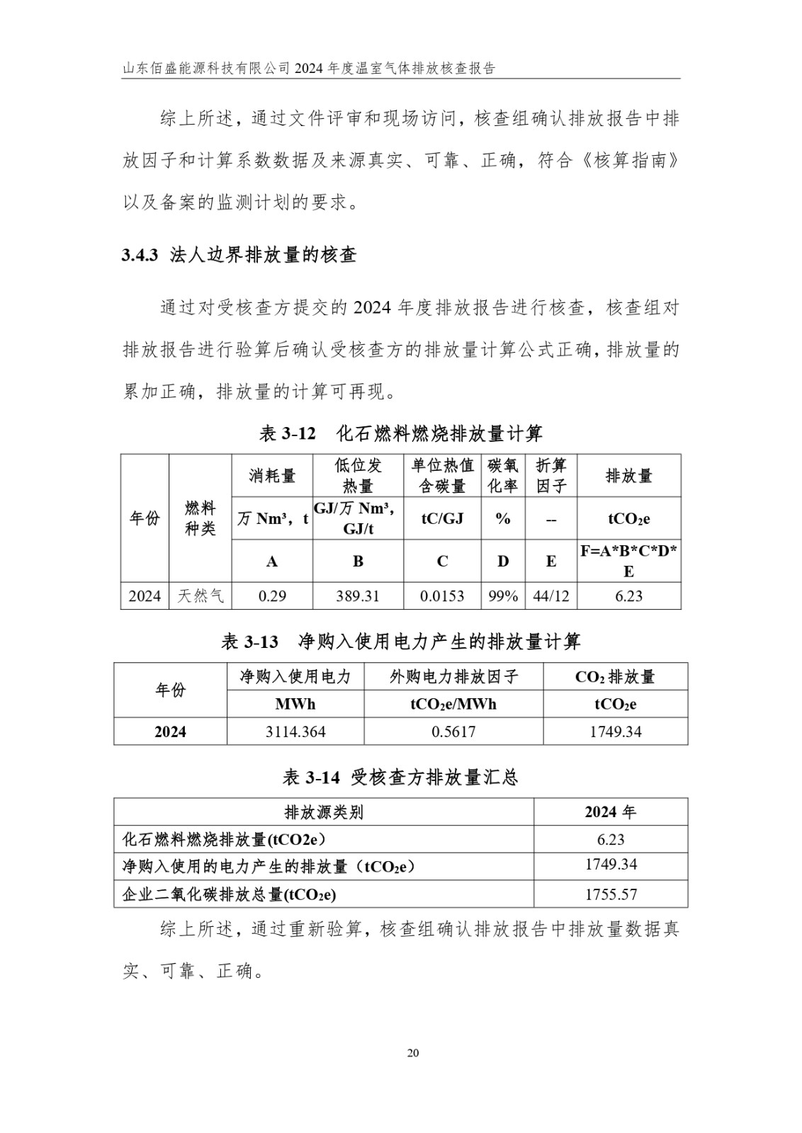
山东佰盛能源科技有限公司 成立于2014年,注册资金6000万元,占地面积 136000平方米,主要从事石油、天燃气、热力、热电、自来水、化工行业所用钢质管道的防腐、保温生产加工及各类配件的供应。 我们深知“质量是企业的命脉”,我们施行TQM质量管理,从原材料采购到产品出厂,对影响产品质量的各道工序都实行监督控制,保证产品达到各项标准。生产流程中,配备了多种检测设备,对生产各环节与产品各项指标进行严格监控,以保证产品质量稳定。联系电话:0539-2656529
